Testeur d'AOP
Dans la série des petits appareils de mesure du labo, en voici un pas banal conçu à l'origine par Philippe DEMERLIAC (cyrob.org) et qui permet très facilement et rapidement de tester le bon état de nos chers amplis OP remplissant nos tiroirs.Il est ainsi possible par le truchement d'un support à insertion nulle d'effectuer le contrôle de tout type d'AOP, qu'il soit simple, double ou encore quadruple.
Désirant le réaliser pour mon labo personnel, je me suis vite rendu compte que son auteur avait utilisé pour sa construction bon nombre de composants de récupération, que je ne suis pas parvenu à trouver auprès de mes fournisseurs favoris.
Dès lors j'ai procédé à quelques modifications permettant l'usage de composants classiques et redessiné le schéma afin de pouvoir concevoir un circuit imprimé, celui-ci devant pouvoir s'intégrer dans un coffret Multicomp MCRH3135. J'ai déjà utilisé ce même coffret dans deux autres projets que sont l'Inductancemètre autonome et le Testeur de LED, d'où la raison de ce choix.
![]() |
INFOS PROJET | |
| Types de composants : Traversants | ||
| Niveau : ◆◇◇◇◇ | ||
| Temps de construction : env. 2 h | ||
| Coût : env. 60 € (hors frais de port du fournisseur de composants) |
||
Principe de fonctionnement
Cet appareil de test est constitué d'un multivibrateur astable, répliqué par autant d'amplis (1, 2 ou 4) disponibles selon le type de circuit intégré.
Je ne vous ferai pas ici la démonstration mathématique du fonctionnement de ce montage, il en existe déjà tellement sur Internet !
La formule finale est donc celle-ci :
avec R1 = 120KΩ, R2 = 1MΩ, R = 820KΩ, C = 1µF
le calcul théorique nous amène au résultat suivant, l'affichage provenant de ma TI83+ :.png)
L'oscillateur devrait fonctionner selon une période de 352,78 ms soit 2,83 Hz, et nous obtenons réellement les valeurs suivantes :
- une période de 357,00 ms pour une fréquence de 2,801 Hz (sous 32V)
- une période de 343,00 ms pour une fréquence de 2,915 Hz (sous 12V)
ceci étant dû principalement aux tolérances des différents composants, ainsi que des caractéristiques propres à l'AOP étudié.
Les oscillogrammes des mesures que j'ai effectuées avec un MC1741CP sont les suivants :
- sur la trace CH I : VS
- sur la trace CH II : VC
![]() |
![]() |
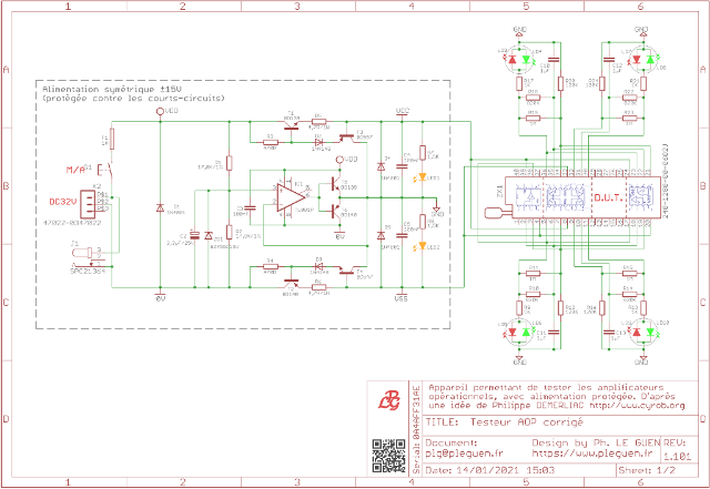
L'alimentation
La très grande majorité des amplificateurs opérationnels (AOP) nécessitent une alimentation symétrique (c'est-à-dire VCC+ / VSS- par rapport à la masse) pour pouvoir fonctionner correctement.
Préférant éviter le recours à un transformateur suivi de deux redressements et autres régulateurs de tension, la démarche ici consiste à utiliser un AOP pour générer une masse virtuelle. Pour ce faire IC1 étant lui-même alimenté directement par la source (VDD) provenant du connecteur d'entrée, la moitié de cette tension est appliquée à son entrée positive (pin 3) par le biais d'un pont diviseur équilibré, son entrée négative (pin 2) étant reliée à la masse virtuelle au travers de l'étage final (de type Push-Pull). L'AOP fonctionnant alors en régime linéaire fournit en sa sortie (pin 6) la moitié de cette tension VDD par rapport au 0V. Le montage peut fort bien fonctionner sans cet étage Push-Pull, mais alors ne peut débiter qu'un très faible courant dépendant directement des caractéristiques de l'AOP utilisé. C'est donc pour pallier à cela que cet étage final est employé. Le courant max dépend alors des caractéristiques des transistors employés. Les transistors T1 (BD139) et T2 (BD140) constituent des ballasts commandés par les transistors T3 (BC557) et T4 (BC547). Ces derniers ne servent que de protection en cas de court-circuit sur VCC et/ou VSS. Dans le cas de T3 par exemple, en régime établi le transistor est bloqué pusiqu'une tension positive (VCC) est appliquée sur sa base. Cet état de fait provoque un état haut sur la base de T1 qui conduit alors. En cas de court-circuit accidentel ou provenant d'une défectuosité d'un AOP en cours de test, la tension VCC va tendre à diminuer vers le potentiel de celui de la masse virtuelle. La base de T3 se retrouvant à un état bas, le transistor devient conducteur, provoquant le bloquage de T1 par le biais de la diode D2. L'alimentation se trouve maintenant coupée par le transistor T1 qui ne peut plus conduire. Cet état disparaîtra aussitôt que le défaut sera supprimé.
Le courant max est d'environ 500 mA.
À propos des 2 résistances de pont R1 et R2 [Edit du 23/06/2024]:
Un de mes lecteurs m'a récemment fait remarquer que les valeurs que j'ai choisies ne sont pas toujours faciles à trouver, et désirais savoir ce qu'il était possible de mettre à leur place.
Ces 2 résistances de 17.8 KΩ/1% forment simplement un pont diviseur de façon à obtenir sur la pin 3 du TL081 (IC1) un potentiel égal à la moitié de la tension d'alimentation.
Avec les 2 valeurs choisies j'obtiens un courant de pont de 337 µA et en fait j'ai pris ce dont je disposais dans mes tiroirs... N'importe quelle autre valeur conviendra pourvu que les 2 résistances soient identiques, privilégiez toutefois ces résistances avec une tolérance de 1% afin d'obtenir une tension VDD ⁄ 2 la plus précise possible. En prenant par exemple des 15 kΩ cela marche très bien aussi... mais je n'en avais pas... le but est aussi de ne pas avoir un courant de pont trop important, qui consommerait de l'énergie pour rien surtout si l'appareil est alimenté par des piles.
Modifications
Dans son projet l'auteur utilise plusieurs composants difficiles à se procurer, et pour lesquels j'ai été amené à les remplacer, en voici la liste :
- dans le circuit d'alimentation
- l'ampli OP de type LA6500 (A1) destiné à créer une masse virtuelle ⟹ devient un TL071 ou TL081 en rajoutant deux transistors BD139 et BD140
- les transistors ballasts de type 2N2219 (T1) et 2N2905 (T2) que j'ai trouvé "encombrants" avec leurs radiateurs ⟹ BD139 et BD140
- ajout d'une diode zener de 15V dans la régulation de IC1 (par sécurité avec DC32V mais pas obligatoire)
- dans le circuit des astables
- les diodes LED bicolores (D8..D11) mais n'ayant que 2 pins ⟹ huit LED ∅3 mm simples de couleur Rouge et Verte
- les condensateurs (C5..C8) de 0,47µF ⟹ 1µF (par simplicité)
Pour ce qui est de l'alimentation justement... l'auteur utilise une alim. +24V dont je ne dispose pas. J'ai par contre pu récupérer sur une imprimante HP détruite le bloc d'alimentation qui délivre +32V / 750 mA, mais qui possède un format de prise assez particulier. J'ai été contraint de créer une librairie sous Eagle v7.7.0 car ce profil était bien sûr inexistant (embase supprimée dans la dernière version 1.1.0.1). J'ai toutefois prévu l'implantation d'un connecteur d'alimentation standard comme par exemple le modèle Multicomp SPC21364.
J'ai également pu tester grâce à mon alimentation de laboratoire le fonctionnement de l'appareil sous une tension de +9V, qui reste acceptable. Sous 12V le fonctionnement est tout-à-fait correct. C'est pourquoi j'ai définit sur le schéma la plage de fonctionnement DC9V à DC32V qu'il ne faudra en aucun cas dépasser, car les AOP ont une tension différentielle max de ±30V et une tension max en mode commun de ±15V (voir le datasheet).
Schéma de principe
Réalisation
Pour ce projet j'ai dessiné un circuit imprimé sous Eagle, que vous pourrez trouver dans la rubrique des téléchargements. Le PCB comprend aussi quatre empreintes pour les versions CMS SOIC-8, que l'on rencontre de plus en plus. Cette petite adaptation est fort pratique pour l'expérimentation sur des plaques breadboard.
Une petite remarque cependant...
Comme cela m'arrive assez souvent, ce circuit ne déroge plus à la règle, la version que j'ai fait fabriquer (v1.1) comporte un oubli de routage. Il manque en effet les trois liaisons de l'AOP n°1. Il reste néanmoins possible de les réaliser avec du fil de câblage comme illustré sur la Figure 4. La version v1.1.0.1 téléchargeable comble ceci.
Enfin votre œil exercé n'aura je pense pas manqué de remarquer deux résistances CMS 0805 en lieu et place de R3/R4, bien qu'il n'y ai pas en cet endroit d'erreur de routage. La raison en est que je ne disposais tout simplement plus de ces valeurs au format traversant.
il ne m'en reste plus... désolé...

Le support à insertion nulle étant difficile à insérer dans les supports pour IC, préférez un support DIL aux contacts "lyre" pour pouvoir l'y insérer. Le support "lyre" quant à lui devra être soudé en version déportée du circuit imprimé, pour arriver à affleurement du dessus du coffret. Pour ce faire j'ai utilisé un support DIL prévu pour le wrapping, cela permet de pouvoir régler à la hauteur que l'on souhaite puis de souder définitivement sur le circuit imprimé. Il vous faudra souder les deux supports ensemble (voir Figure 6) en utilisant pour cela un fer équipé d'une très fine panne (j'ai étrenné mon tout nouveau fer TS100 équipé d'une panne de type TS-K)
Finition
Pour une belle finition, les LED étant soudées quasiment à raz du circuit, il est dans ce cas nécessaire d'utiliser des guides de lumière pour pouvoir visualiser les différents états de ces LED. Il reste cependant possible de se passer de ces guides, et de souder les LED à bonne hauteur. L'alignement n'en sera alors que plus délicat...
Quelques photos







et des mesures
- 1° cas avec une alimentation de +32V
- Cathode de ZD1 ≈ +15V (par rapport au 0V)
- Cathode de D4 ≈ +14V (par rapport à la masse virtuelle, émetteurs de T5/T6)
- Anode de D5 ≈ -14V (par rapport à la masse virtuelle, émetteurs de T5/T6)
- 2° cas avec une alimentation de +12V
- Cathode de ZD1 ≈ +6,90V (par rapport au 0V)
- Cathode de D4 ≈ +6,17V (par rapport à la masse virtuelle, émetteurs de T5/T6)
- Anode de D5 ≈ -6,24V (par rapport à la masse virtuelle, émetteurs de T5/T6)
Packages comprenant : ![]()
◊ Schéma de principe (version corrigée avec PCB et fichiers Gerber) sous Eagle v7.7.0
◊ Dessin de la sérigraphie de la face avant
◊ BOM liste des composants


%20[320x240px].jpg)
%20[320x240px].jpg)
![Testeur AOP v1.101 [640x441px]](/images/stories/Articles/Mesure/Testeur%20AOP/Images/Testeur%20AOP_v1.101_[640x441px].png)
