Banc de test secteur

Le but de cet instrument est de protéger le circuit d’alimentation secteur situé en amont de l’appareil à l’étude, afin d’éviter par exemple de faire disjoncter l’installation de l’habitation en cas d’un éventuel court-circuit. J’avais au cours des années 1980-90 fabriqué un petit instrument très simple (fort utilisé dans le milieu des réparateurs TV...) intégrant une ampoule filament de 60W qui était alors connectée en série avec la charge que constituait l’appareil à dépanner. Ainsi lors d’un court-circuit ou d’une surconsommation, l’ampoule s’allumait fortement évitant de faire disjoncter l’installation électrique. Je possède toujours cet appareil dans mon Labo.
![]() |
L’ensemble de ce projet à été imaginé par Philippe DEMERLIAC de Cyrob.org (je le remercie ici pour son partage…) que j’ai légèrement adapté à mes besoins personnels. Il devient nécessaire de réaliser un système au déclenchement plus rapide, compte tenu de la profusion de systèmes intégrant de petites alimentations à découpage (chargeurs et autres...) à entretenir et réparer régulièrement. Il faut qu’il puisse s’adapter à la puissance de la charge à analyser et soit capable de couper son alimentation aussitôt que le courant consommé dépasse celui de la consigne préfixé. Il est possible de sélectionner la consigne de l’instrument parmi les 7 calibres suivants :
![]() |
INFOS PROJET | |
| Types de composants : traversants | ||
| Niveau : ◆◆◆◇◇ | ||
| Temps de construction : env. 4-5 h | ||
| Coût : non encore évalué | ||
- 100 mA
- 200 mA
- 500 mA
- 1 A
- 2 A
- 5 A
- 10 A
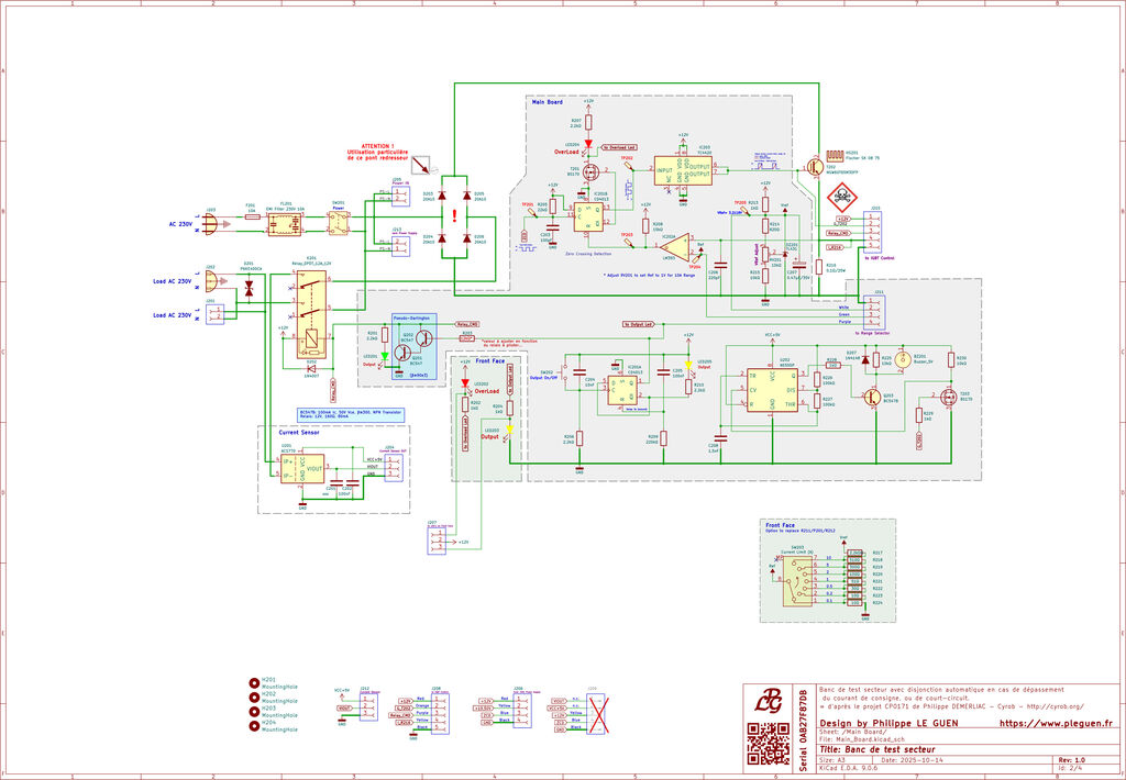
Principe de fonctionnement

Les huit résistances (R217..R224) et le commutateur rotatif permettent la sélection du courant de consigne. L’ensemble du circuit de mesure et de contrôle du courant est alimenté en tension continue selon un redressement double alternance réalisé avec les 4 diodes (D203..D206). Un transistor IGBT (T202) de forte puissance est utilisé ici comme un interrupteur programmable qui est asservi par un circuit de mesure du courant traversant une résistance de 0,1Ω/25W (R216) placée entre son émetteur et la masse du circuit. J’avais au début utilisé un pont redresseur B125-C800 et un MOSFET STF24N60M2 (600V 18A) et le fonctionnement était correct, mais il n’a pas tenu dans le cas d’un court-circuit de la charge… il a cramé… attention donc à ce point de détail.
L’oscillogramme (Figure 1) montre l’allure de l’onde sinusoïdale () mesurée sur la charge lorsque la limitation ne courant n’est pas enclenchée. Le courant mesuré directement sur la résistance R216 est visible sur . La période y est de 10 ms (100 Hz) ce qui correspond à un redressement double alternance provoqué par les quatre diodes du pont de Graetz. L’onde sinusoïdale de la charge présente quand à elle une période de 20 ms pour une fréquence de 50 Hz du secteur.
La faible tension mesurée aux bornes de cette résistance est envoyée à un comparateur (IC202A) puis à une bascule de type ‘D’ (IC201B). Lorsque la valeur mesurée sur l’entrée positive du comparateur dépasse celle de la consigne arrivant sur son entrée négative, une impulsion apparaît sur la sortie du comparateur provoquant le changement d’état de la bascule par l’intermédiaire de sa broche 10 (Reset). Celle-ci ne change d’état que lors du passage à zéro de l’onde secteur, détection réalisée à l’aide d’un optocoupleur1 (OC401) situé en aval du petit transformateur d’alimentation. Cette information parvient à la bascule via sa broche 11 (Clock) permettant ainsi la commutation de l’IGBT à l’instant précis où le courant qui le traverse devient nul. Ainsi son risque d’échauffement est moindre mais par sécurité l’utilisation d’un refroidisseur adapté est fortement recommandée.

La sortie de cette bascule 'D' pilote la grille du transistor IGBT par l’intermédiaire d’un driver de MOSFET (IC203) assurant de parfaites impulsions. Lorsque la broche 13 (sortie Q) du CD4013 délivre ses impulsions de commande au driver de MOSFET, la broche 12 (sortie ) amène le transistor MOSFET (T201) à conduire, provoquant l’illumination de la LED rouge ‘Overload’ (LED202).
L’oscillogramme (Figure 2) montre bien la commande de grille de l’IGBT (ici en mode double alternance, 100 Hz) alors que la charge subissant la limitation de courant produit bien un signal alternatif de 50 Hz. La rampe que l’on distingue sur est l’effet du commencement de conduction de l’IGBT avec consommation de courant dans R216 et donc bien sûr dans la charge, mais aussitôt interrompue lors du passage par le zéro de l’impulsion de commande de grille. Ceci correspond au point de fonctionnement de la régulation générée par le comparateur, la bascule 'D' puis le driver (IC203) qui pilote le transistor IGBT.
Tant que la limitation de courant n’est pas activée, une tension positive commande la grille de l’IGBT qui se trouve saturé ; la charge est alors alimentée en pleine puissance. En cas de court-circuit au niveau de la charge son alimentation est aussitôt coupée. De très courtes impulsions parviennent encore à la grille de l’IGBT mais plus aucun courant ne circule alors, le transistor est bloqué.
La mise en/hors fonction de la charge peut se faire à tout moment à l’aide d’un simple bouton poussoir situé en façade de l’appareil qui utilise un relais électro-mécanique (K201) piloté par les deux transistors (Q201..202) réalisant ainsi un montage Darlington, et la seconde bascule du CD4013 (IC201A). Une LED ‘Load Online’ de couleur jaune (LED203) signale la mise sous tension de la charge. J’utilise ce montage Darlington car les deux transistors BC547B ne peuvent débiter qu’un courant de 100 mA maximum chacun, le relais consommant 80 mA environ. Ceci assure une meilleure commutation du relais lors de l’appel de courant.
Un transducteur piézo-électrique délivre un signal audible d’environ 2400 Hz, tonalité générée par un NE555 (U202) puis un transistor NPN BC547B (Q203). La broche de contrôle (pin 5 ‘CV’) est commandée par le drain du transistor MOSFET BS170 (T203) qui voit le signal provenant de la sortie du driver MOSFET (IC203) attaquer sa grille. Le signal d’alarme ne peut retentir que si le limiteur de courant entre en action. Il est également possible de sélectionner ou non l’émission sonore à l’aide d’un petit interrupteur à levier monté en face avant de l’instrument.
Le transistor IGBT
Il existe au moins trois symboles le représentant, comme suit :
![]() |
![]() |
![]() |
Les deux premiers sont équivalents et dépendent bien souvent du fabriquant ayant réalisé le datasheet du produit. Le troisième possédant une diode de roue libre entre collecteur et émetteur est à proscrire car la diode nuit au bon fonctionnement dans l’intégration du pont de Graetz (j’en ai déjà détruit deux et cela est très rapide !).
Comme je l'ai écrit en début d'article, j'ai effectué mes premiers essais avec des transistors MOSFET de puissance, mais tous possédaient en interne une diode en inverse entre collecteur et émetteur. En TBT cela ne posait pas vraiment de problème mais alimenté par le secteur, il en est tout autrement. Préférez-lui donc un modèle IGBT, sans la diode en inverse bien sûr.
L’alimentation
Une tension de +12V est nécessaire pour alimenter les divers circuits de contrôle et régulation du courant, celle-ci étant produite à partir d’un petit transformateur 230V/12V ‒ 10VA (TR401) suivi d’un pont redresseur (DB401) et d’un régulateur de tension LM7812 (U401).
Une autre tension de +5V est produite grâce à l’utilisation d’un petit module convertisseur DC-DC ‘Step-Down’ (disponible dans mes stocks...) alimenté par la tension +19,5V délivrée par le pont redresseur, ceci afin de ne pas surcharger le régulateur 7812 mais aussi d’éviter la propagation des résidus parasites liés à la fréquence de découpage du LM2596 (IC401) dans le circuit de mesure du courant. Cette tension +5V permet d’alimenter le NE555 ( U202) ainsi que la carte de gestion ‘My Clicker’ (de conception personnelle) constituée d’un microcontrôleur P18F46K22 (IC302). Ce système permet d’afficher différentes valeurs sur un afficheur LCD 16x2 caractères comme par exemple :
- la tension secteur
- sa fréquence
- le courant traversant la charge par l’intermédiaire de la résistance de mesure R216
- la puissance absorbée par la charge
Ce microcontrôleur sera animé par un petit logiciel que j’aurai développé en langage mikroC.
À l’arrivée du secteur juste avant l’interrupteur général, un filtre EMI2 (FL201) est installé. Il permet de bloquer les éventuels parasites provoqués par le hachage du transistor IGBT. En sortie est installée une diode TVS3 (D201) pour protéger le transistor IGBT d’éventuelles tensions transitoires provoquées par une charge inductive par exemple.
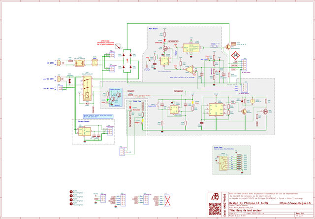
Schéma synoptique
On alimente ici la charge au travers d’un pont de Graetz de manière particulière et il existe deux possibilités dans le mode de fonctionnement de ce système :
- le courant mesuré n’excède pas celui de la consigne préfixé4 :
lorsque le transistor IGBT conduit (la limitation de courant n’étant pas activée...), les pôles +/- de ce pont se retrouvent quasiment court-circuités exception faite de la résistance [Rmesure] de très faible valeur. Le générateur délivrant une onde alternative parfaitement sinusoïdale, nous retrouvons cette forme d’onde légèrement hachée aux bornes de la charge. Le signal résultant présente alors une petite distorsion lorsque l’onde change de polarité. Ceci est dû au fait que la grille du transistor IGBT est commandée lorsque le courant devient nul, donc à chaque changement de polarité de l’onde secteur.
- le courant mesuré excède celui de la consigne préfixé :
le circuit de détection du courant traversant la résistance de mesure et donc le transistor IGBT est mesuré par un comparateur dont l’information de sortie est envoyée à une bascule de type D, qui reçoit également l’information de passage à zéro de l’onde secteur. La bascule produit alors à ce moment précis une impulsion qui va parvenir à la grille de l’IGBT par l’intermédiaire d’un circuit de commande spécialisé assurant une parfaite commutation de ce transistor qui se bloque alors aussitôt. À chaque début d’alternance de l’onde secteur, le transistor reçoit une information qui va le laisser conduire alors qu’en même temps le circuit de mesure du courant compare sans cesse la nouvelle valeur avec celle de la référence fixée par le point de consigne que l’utilisateur aura préalablement définie. Il en résulte un blocage immédiat du transistor au moment du passage à zéro de l’onde secteur. C’est cette particularité de fonctionnement qui va engendrer une petite distorsion de l’onde sinusoïdale présente sur la charge.
Schéma de principe
![]() |
![]() |
Tests et mesures
⟹ Une petite précision toutefois à propos de mes manipulations…
J’ai effectué toutes mes mesures préliminaires sur mon prototype en mode TBT5, c’est-à-dire que le générateur symbolisé sur le schéma synoptique est en fait un transformateur 230V/2x9V 25VA (enroulements secondaires en série...), et j’ai utilisé ma sonde différentielle 1:100 (pas vraiment nécessaire dans ce cas de figure puisque isolé du secteur…) aux bornes de la charge constituée d’une résistance de 20Ω/50W montée sur un refroidisseur car elle s’échauffe assez vite… avec dans ces conditions un courant max (crête) de 865,25mA6 sous 20V en sortie de pont (courant et tension mesurés avec les multimètres HP3478A et Fluke 77...) cela représente une puissance dissipée d’environ 17W…
![]()
petite réflexion du moment…
en principe un transformateur de 25VA sous 9V devrait pouvoir débiter au maximum :
| et pour 2 enroulements en série : |
Il semblerait que mon transformateur soit à sa limite de fonctionnement… il ne chauffe pas...
![]()
En ce qui concerne les mesures que j’ai ensuite effectuées sur mon exemplaire terminé en mode BT7, j’ai utilisé un transformateur d’isolement pour raccorder l’appareil au réseau électrique car je rappelle que la masse de l’oscilloscope et donc de la sonde est (et doit être !) reliée à la terre. Il ne saurait être question de tenter ce type de mesure sans prendre de précautions, il en va de votre santé voir de votre vie. D’autre part, la sonde utilisée pour mesurer l’allure du signal sinusoïdal de la charge est une sonde différentielle 1:100, obligatoire pour ces mêmes raisons de sécurité des biens et des personnes. L’usage d’une sonde classique même en mode 1:10 risquerait non seulement de détruire votre oscilloscope, mais aussi de vous causer des dégâts corporels graves. Vous voici averti.
J’ai relevé quelques oscillogrammes qui permettent de s’affranchir des différentes formes d’ondes selon le mode de fonctionnement de l’appareil, ces mesures ayant été réalisées avec une ampoule à filament de tungstène 230V/60W :
- Figure 4 :
- la trace CH II montre l’allure de la sinusoïde (50Hz) lorsque la charge est normalement alimentée, c’est-à-dire sans limitation de courant
- la trace CH I montre le courant consommé par la charge (mesuré sur R216), le signal est redressé par le pont de Graetz et sa fréquence est donc de 100Hz
- Figure 5 :
- la trace CH II montre le début de conduction du transistor IGBT lorsque le filament de l’ampoule se réchauffe. Les pics visibles entre les deux curseurs grandissent pour enfin devenir une sinusoïde.
- la trace CH I montre bien les différentes impulsions parvenant à la Gate de l’IGBT
- Figure 6 :
- la trace CH I montre la forme d’onde présente sur la résistance de mesure R216 durant cette phase de limitation de courant
- La trace CH II montre le signal résultant sur la charge
- Figure 7 :
- la trace CH I montre le courant consommé par la charge (mesuré sur R216), le signal est redressé par le pont de Graetz et sa fréquence est donc de 100Hz
- la trace CH II montre le signal de synchro provenant de l’optocoupleur
- Figure 8 :
Cet oscillogramme est un zoom de la Figure 5- la trace CH II montre ce même signal présent sur la charge mais lorsque la limitation de courant est active, la charge étant ici une ampoule à filament tungstène. Ce filament représente une résistance très faible à froid ce qui implique un courant plus important que lorsqu’il est chaud. C’est ce courant trop important qui fait que le limiteur entre en service. Ensuite au fur et à mesure que le filament se réchauffe, sa résistance interne diminue, et le courant diminue également, désactivant progressivement la limitation de courant.
- la trace CH I montre cette fois le signal de commande de Gate du transistor IGBT, avec une impulsion présente pour chaque alternance +/-
- note : sans action du limiteur le signal de commande de Gate de l’IGBT est une tension positive proche de celle de l’alimentation, ici +12V
Réalisation
J’ai une fois n’est pas coutume réalisé cet appareil en version modulaire en utilisant pour la plupart des circuits des cartes de prototypage, sauf pour la partie « haute-tension » pour laquelle j’ai dessiné et réalisé un circuit imprimé au format ‘Europe’ (160x100 mm). Ce format permet d’accueillir l’imposant refroidisseur Fischer SK08-75 (de récupération) et le transistor IGBT ; j’ai préféré ne pas prendre de risques et j’aurais sans doute pu (si j’avais eu…) installer un modèle plus petit car il ne chauffe que très peu (environ 30°C). La carte de gestion ainsi que le module ‘Step-Down Converter’ disposent eux aussi d’un circuit imprimé spécifique et se trouvent raccordés au circuit principal au moyen de connecteurs enfichables selon le montage de type ‘gigogne’.
Le coffret VERO en plastique ABS est un modèle que je possédais au Labo depuis plusieurs décennies… il vient enfin de trouver son usage ! Toutes les cartes sont logées à plat sur le fond du coffret, solidement fixées avec des vis et entretoises en nylon.
J'ai ajouté une carte équipée d'un microcontrôleur PIC18F46K22 pemettant l'affichage de différentes valeurs (tension / courant) sur un LCD 2x16 caractères, mais ceci reste bien sûr totalement optionnel, l'appareil pouvant fort bien fonctionner sans cela. Son logiciel est actuellement en cours de développement...
.
Étalonnage
Le circuit de mesure du courant composé d’un comparateur LM393 (IC202A) à besoin d’une référence de tension. Celle-ci est réalisée au moyen d’un pont diviseur ajustable (R213, R214, R215 et RV201) pilotant un TL431 (DZ201) qui n’est autre qu’une référence programmable de précision. Un courant maximum de 10A pouvant circuler dans le transistor IGBT et par voie de conséquence dans la résistance de mesure de 0,1Ω (R216), la DDP8 résultante à ses bornes sera donc de :
| soit 1V crête |
La méthode d’étalonnage au demeurant très simple consiste à régler très précisément la résistance ajustable RV201 afin d’obtenir une tension de 1V sur la broche 2 du comparateur, ceci bien sûr en ayant pris soin de sélectionner le calibre le plus élevé (10A) du commutateur de sélection de gammes. Ceci étant fait, la tension de référence disponible sur cette même broche 2 sera donc directement dépendante du calibre sélectionné. La broche 1 de sortie du comparateur basculera ainsi en fonction de chacun des courants présélectionnés. Un condensateur de 0,47µF (C207) placé entre cathode et anode du TL431 sert de stabilisation de tension et amorti les légères fluctuations possibles. Il en résulte une tension de référence ultra stable et précise. Sur mon prototype la tension présente sur la cathode du TL431 est de 3,2118 V après avoir effectué l’ajustement de la référence de tension.
Oscillogrammes
Quelques photos
![]() |
![]() |
1) Optocoupleur : j’ai utilisé un 4N35 de récupération mais un PC817 par exemple conviendrait tout aussi bien.
2) EMI : interférence électromagnétique
3) TVS : Transient Voltage Suppression Diode
4) Le comparateur mesure la valeur max (crête) du courant traversant la résistance R216...
5) TBT : la très basse tension est un domaine de tensions électriques dont les limites ont été déterminées réglementairement :
Source : https://fr.wikipedia.org/wiki/Très_basse_tension
en courant alternatif : U ≤ 50 volts en milieu sec, U ≤ 25 volts en milieu humide
en courant continu : U ≤ 120 volts en milieu sec, U ≤ 60 volts en milieu humide
6) Ceci est le courant RMS (valeur efficace) mesuré avec le HP3478A…
l’oscilloscope mesurait à ce moment une valeur crête de 132mV ce qui correspond à un courant de I=U/R=1,32A max.
7) BT : Pour la distribution d'électricité les normes européennes définissent le domaine de la basse tension (sigle BT) comme les tensions comprises entre :
Source : https://fr.wikipedia.org/wiki/Basse_tension
50 et 1 000 volts en régime de tension alternative
120 et 1 500 volts en régime de tension continue
8) DDP : différence de potentiel














